Технический перевод

 Операции с матрицами: программирование на C++

  

Главная

 

 

7.2. Построение эпюр в ломаных стержнях

 

Систему, состоящую из жестко соединенных между собой стержней, оси которых не лежат в одной плоскости, будем называть ломаным стержнем. При этом ограничимся рассмотрением только таких ломаных стержней, отдельные элементы которых стыкуются друг с другом под прямыми углами, а внешние нагрузки приложены перпендикулярно к осям стержней (рис.7.3,а).

http://www.stroitmeh.ru/lect23.files/image002.jpg

Рис.7.3

 

В общем случае нагружения в поперечных сечениях ломаных стержней могут возникать все 6 известных внутренних силовых факторов: продольная сила http://www.stroitmeh.ru/lect23.files/image004.gif, поперечные силы http://www.stroitmeh.ru/lect23.files/image006.gif, изгибающие моменты http://www.stroitmeh.ru/lect23.files/image008.gif, крутящий моментhttp://www.stroitmeh.ru/lect23.files/image010.gif. Очень часто, особенно в машиностроительных конструкциях, отдельные элементы ломаного стержня имеют незначительную длину, иногда соизмеримую с размерами поперечного сечения, то есть являются "короткими" стержнями. В этом случае не только внутренние моментыhttp://www.stroitmeh.ru/lect23.files/image008.gif,http://www.stroitmeh.ru/lect23.files/image010.gif, но и внутренние силы (http://www.stroitmeh.ru/lect23.files/image004.gif,http://www.stroitmeh.ru/lect23.files/image006.gif) существенно влияют на напряженно-деформированное состояние конструкции, поэтому для ломаных стержней будем строить эпюры всех шести внутренних силовых факторов.

Для правильного построения эпюр здесь обязательным является использование скользящей системы координат, о которой уже говорилось при рассмотрении плоско-пространственных систем.

Пример 1. Рассмотрим простейший случай нагружения ломанного стержня - двумя взаимноперпендикулярными сосредоточенными силами, приложенными на свободном конце (рис.7.4,а).

Выбираем скользящую систему координат (рис.7.4,б). Ось z всегда направлена вдоль продольной оси того или иного участка ломаного стержня, а при переходе с одного участка на другой координатные оси поворачиваются на 90 градусов, но никогда не вращаются вокруг оси z. Удобнее всего начинать выбор скользящей системы координат с горизонтального участка ломаного стержня, который параллелен плоскости чертежа или лежит в этой плоскости (участок ВС на рис.7.4,б).

На этом участке (а он аналогичен обычной балке) ось y  направляется вертикально (вверх или вниз), ось z - вдоль продольной оси участка, а ось  x - перпендикулярно плоскости yoz, после чего система координат передвигается на остальные участки ломаного стержня.

 Построение эпюры http://www.stroitmeh.ru/lect23.files/image004.gif.

Построение этой и всех последующих эпюр ведем от свободного конца. Правило знаков для http://www.stroitmeh.ru/lect23.files/image004.gif остается таким же, как и для других систем, а именно: растяжению соответствует знак "+", сжатию - "-".

Участок АВ имеет нулевую продольную силу, так как http://www.stroitmeh.ru/lect23.files/image012.gif перпендикулярны продольной оси этого участка:

http://www.stroitmeh.ru/lect23.files/image014.gif.

Участок ВС растягивается силой http://www.stroitmeh.ru/lect23.files/image016.gif:

http://www.stroitmeh.ru/lect23.files/image018.gif.

Участок СД сжимается силой http://www.stroitmeh.ru/lect23.files/image020.gif:

http://www.stroitmeh.ru/lect23.files/image022.gif.

Построение эпюр http://www.stroitmeh.ru/lect23.files/image024.gif и http://www.stroitmeh.ru/lect23.files/image026.gif.

Поперечную силу http://www.stroitmeh.ru/lect23.files/image024.gif формируют только те силы, которые параллельны оси x на данном участке, а поперечную силу http://www.stroitmeh.ru/lect23.files/image026.gif- силы, параллельные оси y. Здесь также сохраняется обычное для Q правило знаков: http://www.stroitmeh.ru/lect23.files/image028.gif, если внешняя сила, приложенная к отсеченной части, стремится повернуть рассматриваемое сечение по часовой стрелке и http://www.stroitmeh.ru/lect23.files/image030.gif- в противоположном случае. С учетом сказанного в характерных сечениях имеем:

http://www.stroitmeh.ru/lect23.files/image032.jpg

Рис.7.4

 

http://www.stroitmeh.ru/lect23.files/image033.gif

Построение эпюр http://www.stroitmeh.ru/lect23.files/image035.gif.

Ординаты эпюр изгибающих моментов будем, как обычно, откладывать со стороны сжатых волокон, не указывая знаков, причем ориентировать эпюры нужно так, чтобы плоскость эпюры совпадала с плоскостью действия пары того изгибающего момента, для которого она построена. Иначе говоря, эпюра http://www.stroitmeh.ru/lect23.files/image037.gif на всех участках ломаного стержня располагается в плоскости yoz, а эпюра http://www.stroitmeh.ru/lect23.files/image039.gif- в плоскости xoz.

Начнем с построения эпюры http://www.stroitmeh.ru/lect23.files/image037.gif. Здесь нас будет интересовать изгиб каждого участка в плоскости yoz (см. скользящую систему координат на рис.7.4,б) и, соответственно, плечо каждой действующей на отсеченную часть нагрузки нужно измерять в этой плоскости.

На участке АВ плоскость yoz - вертикальная плоскость, параллельная плоскости чертежа. В этой плоскости стержень АВ изгибается только силой http://www.stroitmeh.ru/lect23.files/image041.gif, так как http://www.stroitmeh.ru/lect23.files/image043.gif перпендикулярна плоскости yoz :

http://www.stroitmeh.ru/lect23.files/image045.gif;

http://www.stroitmeh.ru/lect23.files/image047.gif (сжаты правые волокна).

На участке ВС плоскость yoz  ориентирована так же, как и на участке АВ, причем, все точки ВС равноудалены от линии действия силы http://www.stroitmeh.ru/lect23.files/image041.gif, поэтому:

http://www.stroitmeh.ru/lect23.files/image049.gif (сжаты верхние волокна).

На участке СД плоскость yoz - вертикальная плоскость, перпендикулярная плоскости чертежа. В этой плоскости стержень СД изгибается только силой http://www.stroitmeh.ru/lect23.files/image043.gif, так как http://www.stroitmeh.ru/lect23.files/image041.gif перпендикулярна yoz ; все точки участка СД равноудалены (в рассматриваемой плоскости) от линии действия силы http://www.stroitmeh.ru/lect23.files/image043.gif, следовательно:

http://www.stroitmeh.ru/lect23.files/image051.gif (сжаты нижние волокна).

Рассуждая аналогичным образом, будем строить эпюру http://www.stroitmeh.ru/lect23.files/image039.gif, но теперь нужно рассматривать изгиб каждого участка ломаного стержня в плоскости xoz.

На участке АВ плоскость xoz - вертикальная плоскость, перпендикулярная плоскоси чертежа. В этой плоскости стержень АВ изгибается только силой http://www.stroitmeh.ru/lect23.files/image043.gif, так как http://www.stroitmeh.ru/lect23.files/image041.gif перпендикулярна плоскости xoz:

http://www.stroitmeh.ru/lect23.files/image053.gif;

http://www.stroitmeh.ru/lect23.files/image055.gif (сжаты дальние от наблюдателя волокна).

На участке ВС плоскость xoz - горизонтальная плоскость. В этой плоскости сила http://www.stroitmeh.ru/lect23.files/image041.gif приложена вдоль продольной оси стержня ВС и к изгибу привести не может, поэтому:

http://www.stroitmeh.ru/lect23.files/image057.gif;

http://www.stroitmeh.ru/lect23.files/image059.gif (сжаты дальние от наблюдателя волокна).

На участке СД плоскость xoz - это так же горизонтальная плоскость. Здесь к изгибу стержня СД приводят обе силы: плечо силы  http://www.stroitmeh.ru/lect23.files/image043.gif постоянно и равно b, а плечо силы http://www.stroitmeh.ru/lect23.files/image041.gif равно нулю в сечении 5 и равно с в сечении 6:

http://www.stroitmeh.ru/lect23.files/image067.gif  (сжаты правые волокна).

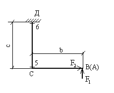
Иногда при построении эпюр изгибающих моментов в ломанных стержнях возникают затруднения в определении участия той или иной нагрузки в изгибе стержня или в определении плеча той или иной нагрузки. В этих случаях всегда можно использовать простой, но эффективный прием: спроектировать конструкцию и действующие нагрузки на ту плоскость в которой изгибается стержень, переходя тем самым от пространственной конструкции к ее проекции, что позволяет легко определить плечи каждой из нагрузок и их "вклад" в изгиб рассматриваемого участка. Проследим использование этого приема например, при построении эпюры http://www.stroitmeh.ru/lect23.files/image039.gif на участке СД (рис.7.4,а). На этом участке плоскость xoz, в которой нужно рассматривать изгиб стержня при построении http://www.stroitmeh.ru/lect23.files/image039.gif- горизонтальная плоскость, следовательно, для реализации описываемого приема необходимо спроектировать конструкцию на горизонтальную плоскость, то есть изобразить вид сверху (рис.7.5).

http://www.stroitmeh.ru/lect23.files/image061.gif

Рис.7.5

 

При этом сила http://www.stroitmeh.ru/lect23.files/image041.gif будет видна направленной вдоль стержня ВС, сила http://www.stroitmeh.ru/lect23.files/image043.gif- перпендикулярно ВС, а стержень ВА проектируется в точку. Теперь совершенно очевидно, что все точки стержня СД равноудалены от линии действия силы http://www.stroitmeh.ru/lect23.files/image043.gif, что приводит к постоянному моменту http://www.stroitmeh.ru/lect23.files/image064.gif, а сила http://www.stroitmeh.ru/lect23.files/image016.gif имеет нулевое плечо в сечении 5 и плечо, равное с, - в сечении 6:

http://www.stroitmeh.ru/lect23.files/image066.gif

В обоих сечениях сжаты  правые волокна, то есть получен тот же результат, что и ранее, но в более наглядном виде.